
УЗД1-RS.ETH устройство защиты двигателя
УЗД1-RS.ETH устройство защиты двигателя
УЗД1 - это система защиты и управления двигателем, которая обеспечивает мгновенный мониторинг всех его параметров. Прибор позволяет производить пуск, реверс и останов электродвигателя путем управления внешними контакторами или другими устройс
Для заказа вы можете позвонить по номеру: 8(800)550-67-06
Воспользуйтесь email почтой для заказа: info@owen-kapo.ru
УЗД1 - это система защиты и управления двигателем, которая обеспечивает мгновенный мониторинг всех его параметров. Прибор позволяет производить пуск, реверс и останов электродвигателя путем управления внешними контакторами или другими устройствами для пуска двигателя.
Преимущества
- Быстрый ввод в эксплуатацию, за счет удобной настройки в OwenConfigurator через современные интерфейсы связи (RS/ETH/USB)
- Передача текущих параметров двигателя, позволяет предупредить аварийное состояние двигателя и его выход из строя (OwenCloud)
- Экономия места в шкафу благодаря объединению функционала нескольких устройств (токовое реле, реле напряжения, устройство контроля параметров сети)
- Режим двухступенчатого пуска позволит увеличить срок службы двигателя (схема звезда/треугольник и схема с добавочными резисторами)
- Возможность работы с самыми распространенными трансформаторами тока (номинальный ток вторичной обмотки 1А или 5А)
Применение
УЗД предназначен для защиты трехфазных асинхронных и синхронных двигателей. Эти типы двигателей чаще всего применяются в следующих типах установок:
Благодаря широкому распространению электродвигателей в промышленности УЗД1 может применяться абсолютно в любой отрасли:
- Горнодобывающая промышленность
- Нефтегазовая промышленность
- Водоснабжение и водоподготовка
- Металлургия
- Химическая промышленность
- Пищевая промышленность
- Бумажно-целлюлозная промышленность
Примеры применения
Каскадное управление насосом совместно с СУНА-122, ПЧВ3 и УПП1
Принцип работы
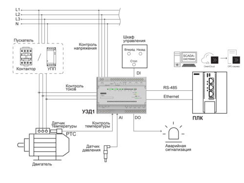
УЗД1 в совокупности с внешними контакторами запускает или останавливает двигатель согласно соответствующему сигналу управления. В процессе работы прибор непрерывно измеряет параметры питающей сети, двигателя, внешних датчиков, по их совокупности определяет наличие аварийных ситуаций и, в целях предупреждения выхода двигателя из строя, отключает его от сети. Каждая из аварий имеет широкий диапазон настроек и фиксируется в журнале аварий. С целью прогнозирования износа двигателя и планирования мероприятий по его техническому обслуживанию ведется статистика наработки двигателя.
Принципиальная схема работы УЗД1
